| Parameter | Value | Comment | Updated |
| Shielding | - | Click here | 11 May 2012 |
| Task list | - | Click here | 21 Aug 2012 |
| Coordinate System | X plane | Horizontal plane | 17 May 2012 |
| Coordinate System | Y plane | Vertical plane | 17 May 2012 |
| Coordinate System | Z axis | Beam axis | 17 May 2012 |
| Parameter | Value | Comment | Updated |
| Ion species | H - | - | - |
| Source current | n mA | - | - |
| Platform voltage | n kV | - | - |
| Extraction voltage | n kV | - | - |
| Source length | n mm | - | - |
| LEBT focusing type | 3 solenoid | - | - |
| Solenoid currents (nominal) | 1=137A, 2=123A, 3=? | - | - |
| Solenoid B-field values | 1=0.19T, 2=0.17T, 3=? | - | - |
| LEBT length | n m | - | - |
| LEBT dimensions | - | Click here | 10 May 2012 |
| LEBT to RFQ spacing | - | Click here | 21 May 2012 |
| LEBT output beam cone | +/-100 mrad, focused at end of matching section, spacing = 200mm | Click here | 28 Jun 2012 |
| LEBT output beam cone | +/-122 mrad, focused at end of matching section, spacing = 200mm | Click here | 28 Jun 2012 |
| LEBT output beam cone | +/-122 mrad, focused at end of matching section, spacing = 95mm | Click here | 17 Jul 2012 |
| Vacuum | n mbar | - | - |
| Parameter | Value | Comment | Updated |
| Input energy | 65 keV | - | - |
| Output energy | 3 MeV | - | - |
| Input emittance | 0.30 Pi mm mrad | - | - |
| Output emittance | 0.35 Pi mm mrad | - | - |
| RF frequency | 324 MHz | - | - |
| Peak current | n mA | - | - |
| Average pulse current | n mA | - | - |
| Design duty cycle | 10 % | check | - |
| Voltage | n kV | - | - |
| Modulation factor | 1.00-1.85 | - | - |
| Maximum surface field | n kilpatrick | Click here | 11 May 2012 |
| RF beam power | n kW | - | - |
| RF peak power | n kW | - | - |
| Number of klystrons | 1 | - | - |
| Number of cells | 308 | Check with Simon | - |
| Length | 4.0 m (nominal) | - | - |
| Beam aperture | n - n mm | - | - |
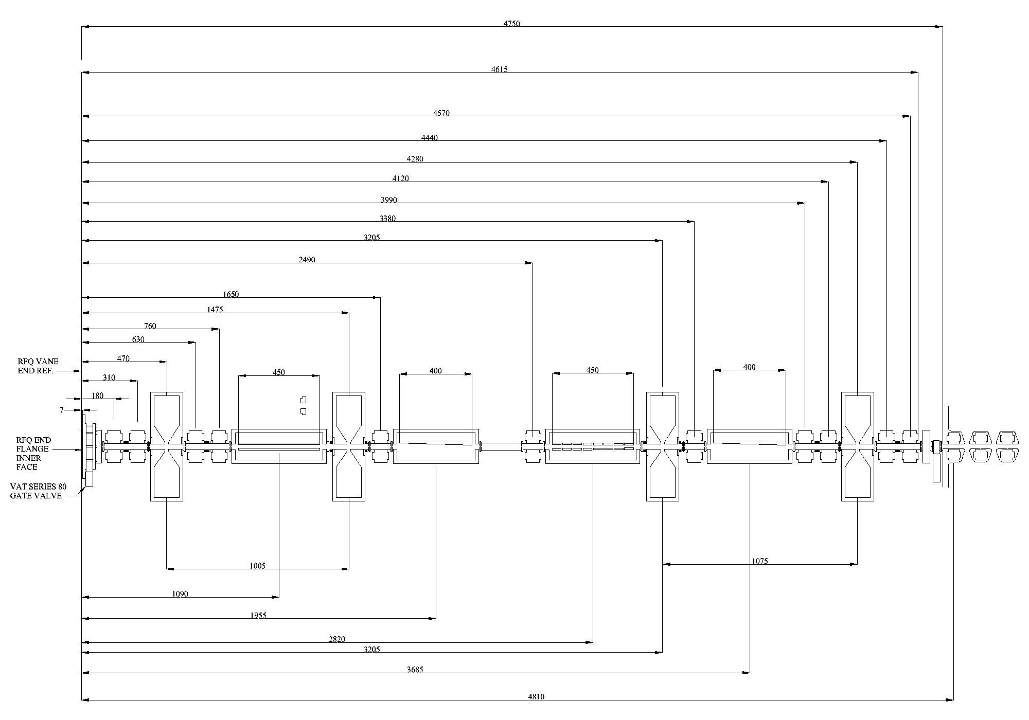
| Vane tip lengths and end region geometry | - | Click here | 13 July 2012 |
| Input region geometry with references | - | Click here | 23 July 2012 |
| Beam dynamics simulations | - | Click here | 11 May 2012 |
| Engineering Design Review | - | Click here | 11 May 2012 |
| Milestones | - | Click here | 21 Aug 2012 |
| Parameter | Value | Link | Comment | Updated |
| Overview | - | Click here | - | 10 May 2012 |
| Lattice scheme A | - | Click here | Scheme A with MEBT components shifted 21 mm downstream | 11 May 2012 |
| Lattice scheme A from RFQ Output Plane | - | Click here | - | 1 June 2012 |
| Lattice comparison table | - | Click here | - | 1 June 2012 |
Quadrupoles | ||||
| Quantity | 11 | - | - | - |
| Maximum magnetic field | < 25 T/m | - | DF DF.....D.....F.....D.....FD FD | - |
| Quadrupole Set 1 | - | - | Range = 16.6 to 20.9 | 23 May 2012 |
| Quad 1 | +16.8 T/m | - | D | - |
| Quad 2 | -19.9 T/m | - | F | - |
| Quad 3 | +20.9 T/m | - | D | - |
| Quad 4 | -18.1 T/m | - | F | - |
| Quad 8 | -16.6 T/m | - | F | - |
| Quad 9 | +16.7 T/m | - | D | - |
| Quadrupole Set 2 | - | - | Range = 6.2 to 10.6 | 23 May 2012 |
| Quad 5 | +6.5 T/m | - | D | - |
| Quad 6 | -7.3 T/m | - | F | - |
| Quad 7 | +6.2 T/m | - | D | - |
| Quad 10 | -10.6 T/m | - | F | - |
| Quad 11 | +8.9 T/m | - | D | - |
Re-bunching cavities | ||||
| Quantity | 3 | - | - | - |
| Tuner Frequency Range | - | Click here | 13 Aug 2012 | |
Chopper | ||||
| Quantity | 2 | - | - | - |
Chopper beam dump | ||||
| Quantity | 2 | - | - | - |
| Parameter | Value | Link | Comment | Updated |
| - | - | - | - | - |